先锋av资源 脈沖互感式接箍檢測器在電磁流量計測井儀中應用-江蘇省速惠自动化制造有限公司

 

;                  
                   
      首(shou)   頁│  公司(si)簡介  産(chan)品中心(xin)  質量體(ti)系  銷售(shou)網絡
  溫度儀(yi)表系列(lie)
  流量儀(yi)表系列(lie)
  校驗儀(yi)表系列(lie)
  顯示儀(yi)表系列(lie)
  變送器(qi)儀表系(xi)列
 
  電磁(ci)流量計(ji)的工作(zuo)原理⭕先锋av资源‼️
  氧(yang)化锆氧(yang)傳感器(qi)的原理(li)及應用(yong)
  有害氣(qi)體檢測(ce)報警儀(yi)選用原(yuan)則
我國(guo)計量用(yong)儀器儀(yi)表的發(fa)展和現(xian)狀
  西(xi)安交大(da)研制出(chu)超高溫(wen)沖擊壓(ya)....
  采用半(ban)導體精(jing)密溫度(du)傳感......
  智(zhi)能溫度(du)傳感器(qi)的發展(zhan)趨勢
 
  利用(yong)傳感器(qi)技術制(zhi)造智能(neng)服裝
  新(xin)型傳感(gan)器監控(kong)魚群數(shu)量
   
 
聯系(xi)方式
  電(dian)話(市場(chang)部):  
      
   (拓展(zhan)部):
     傳真(zhen):
  郵編:211600
 網(wang)址:/
     [email protected]
 地址(zhi):江蘇省(sheng)金湖縣(xian)工業園(yuan)區環城(cheng)西
 路269号(hao)
 您現在(zai)的位置(zhi) > 首頁 > 行(hang)業新聞(wen) > 脈沖互(hu)感式接(jie)箍檢測(ce)器在電(dian)磁流量(liang)計測井(jing)儀中應(ying)用🥰
     

脈沖(chong)互感式(shi)接箍檢(jian)測器在(zai)電磁流(liu)量計測(ce)井儀中(zhong)應用
發(fa)布時間(jian):2022-1-5 08:38:23

摘要:在(zai)電磁流(liu)量計 測(ce)井中,套(tao)管的接(jie)箍曲線(xian)作爲常(chang)規的測(ce)井資料(liao)進行測(ce)量⭕,用于(yu)測井曲(qu)線深度(du)校正。由(you)于電磁(ci)流量計(ji)的測井(jing)工藝所(suo)限,使電(dian)磁流量(liang)計中磁(ci)性定位(wei)器的測(ce)井效果(guo)-直不好(hao),影響測(ce)井資料(liao)質量🈲。文(wen)章簡述(shu)了🌍磁性(xing)定位器(qi)和脈沖(chong)🛀互感式(shi)接箍檢(jian)測器的(de)測井原(yuan)理,說明(ming)了傳統(tong)磁性定(ding)位器存(cun)在的弊(bi)端和脈(mo)沖互感(gan)式接箍(gu)檢🔴測器(qi)的技術(shu)特點,并(bing)通過測(ce)井對✊比(bi)試驗,展(zhan)示了👄用(yong)脈沖互(hu)感式接(jie)箍檢測(ce)器取代(dai)電磁流(liu)量計中(zhong)磁性定(ding)位器的(de)應用效(xiao)果。
0引言(yan)
  電磁流(liu)量計測(ce)井儀用(yong)于聚合(he)物驅注(zhu)入剖面(mian)測井,在(zai)油田生(sheng)産開發(fa)中發揮(hui)着重要(yao)作用。然(ran)而,在電(dian)磁流量(liang)計測井(jing)中磁性(xing)定位器(qi)不能錄(lu)取到合(he)格的磁(ci)性定位(wei)曲線,這(zhe)📞個問題(ti)📞多年來(lai)一直是(shi)困擾在(zai)從事😍電(dian)磁流量(liang)🐇計測井(jing)的現場(chang)操作🌂人(ren)員和從(cong)事電磁(ci)流🐉量計(ji)測井資(zi)💋料解釋(shi)人員✉️的(de)一個難(nan)題。爲了(le)解決這(zhe)個難題(ti),我們從(cong)磁性定(ding)位器的(de)測井原(yuan)理入手(shou),找出✌️磁(ci)性定位(wei)器在電(dian)磁流量(liang)測井工(gong)藝中所(suo)存在的(de)弊端。傳(chuan)統磁性(xing)定位器(qi)采用磁(ci)鋼加線(xian)圈的方(fang)法,通過(guo)✊儀器相(xiang)對井壁(bi)移動,實(shi)現在接(jie)箍位置(zhi)檢測線(xian)圈中的(de)磁場重(zhong)新分布(bu),被動地(di)使接收(shou)線圈産(chan)🔞生感生(sheng)電❓動勢(shi),從而達(da)🙇‍♀️到檢測(ce)接箍的(de)目的,這(zhe)種方法(fa)受測速(su)和儀器(qi)居中等(deng)因素的(de)影響而(er)無法克(ke)服。脈沖(chong)互感式(shi)接箍檢(jian)🙇‍♀️測器采(cai)用主動(dong)的脈沖(chong)磁激勵(li)互感方(fang)法,達到(dao)檢測套(tao)管接箍(gu)的目的(de)凹。這種(zhong)方法受(shou)測速和(he)居中的(de)影響很(hen)小,不僅(jin)滿足-般(ban)測井的(de)需要,也(ye)比較适(shi)用于電(dian)磁🌂流量(liang)測井工(gong)藝中。
1傳(chuan)統磁性(xing)定位器(qi)測井原(yuan)理
  常規(gui)磁性定(ding)位器是(shi)由兩個(ge)永久磁(ci)鋼和-一(yi)個檢測(ce)❄️線圈組(zu)成,當儀(yi)器沿井(jing)身移動(dong)時,由于(yu)儀器周(zhou)圍介💚質(zhi)的磁阻(zu)發生變(bian)化,使通(tong)過線圈(quan)的磁力(li)線重新(xin)分布,磁(ci)通密度(du)發生變(bian)化,于是(shi)使🚶‍♀️線圈(quan)中産生(sheng)感應電(dian)動勢,大(da)小根據(ju)電磁感(gan)應定律(lü)爲:
 
  即感(gan)應電動(dong)勢等于(yu)磁通量(liang)的時間(jian)變化率(lü)的負值(zhi)☔,它的大(da)小.與⚽介(jie)質磁阻(zu)的變化(hua)、測速、磁(ci)場強度(du)及線圈(quan)尺寸有(you)關。
2傳統(tong)磁性定(ding)位器存(cun)在弊端(duan)
2.1儀器居(ju)中的影(ying)響
  當測(ce)井工藝(yi)要求下(xia)井儀器(qi)居中測(ce)井時,儀(yi)器距井(jing)壁有一(yi)定的距(ju)離,在測(ce)井速度(du)--定的情(qing)況下,儀(yi)器通過(guo)接箍時(shi)檢測線(xian)圈内磁(ci)通量變(bian)化量要(yao)比貼靠(kao)井壁時(shi)的磁通(tong)量變化(hua)量小,線(xian)圈🌂輸出(chu)感生電(dian)動勢的(de)幅度低(di),減小了(le)信噪比(bi),降低了(le)磁性定(ding)位器對(dui)接箍的(de)分辨率(lü)。
2.2管柱内(nei)徑的影(ying)響
  同樣(yang)是在居(ju)中和測(ce)井速度(du)一定的(de)情況下(xia),在直徑(jing)大的管(guan)柱内測(ce)井時,線(xian)圈中磁(ci)通量的(de)變化量(liang)要比在(zai)直徑小(xiao)的管柱(zhu)内小,線(xian)圈輸出(chu)的感生(sheng)電動勢(shi)幅度降(jiang)低,輸出(chu)信🚶号的(de)信噪比(bi)小㊙️,接箍(gu)的👉分辨(bian)率差。
2.3測(ce)井速度(du)的影響(xiang)
  不管是(shi)貼近井(jing)壁的測(ce)井工藝(yi)還是居(ju)中的測(ce)井工藝(yi)🏃🏻‍♂️,如果測(ce)井速度(du)快,磁性(xing)定位器(qi)通過接(jie)箍時,其(qi)線圈内(nei)👄部磁🐆通(tong)量變化(hua)率大,輸(shu)出感生(sheng)電動勢(shi)高;反之(zhi)🌈測井速(su)度慢,磁(ci)通量變(bian)化率小(xiao),輸出感(gan)生電動(dong)勢低。因(yin)此,測井(jing)🏒速度不(bu)同⚽、磁性(xing)定位器(qi)的分辨(bian)率也不(bu)同✊。
  在測(ce)井過程(cheng)中,當管(guan)柱狀況(kuang)、測井速(su)度靠近(jin)井壁和(he)📐儀🈲器居(ju)中等因(yin)素發生(sheng)變化時(shi),這種磁(ci)性定位(wei)器對接(jie)箍的分(fen)辨率☂️也(ye)随之發(fa)生變化(hua),,改變了(le)信噪比(bi),影響測(ce)井資料(liao)的質量(liang)。這就是(shi)磁🔞鋼加(jia)線圈檢(jian)測方法(fa)的弊端(duan)所🌏在。
3脈(mo)沖互感(gan)式接箍(gu)檢測器(qi)測井原(yuan)理
  脈沖(chong)互感式(shi)接箍檢(jian)測器的(de)物理基(ji)礎是法(fa)拉第電(dian)磁感應(ying)定律,其(qi)檢測方(fang)法是:給(gei)傳感器(qi)激勵線(xian)圈提供(gong)-一個直(zhi)流電脈(mo)沖,在脈(mo)沖維持(chi)期,激勵(li)線圈周(zhou)圍♊産生(sheng)-一個穩(wen)定磁場(chang),當直流(liu)脈沖停(ting)止後,這(zhe)個穩定(ding)磁場在(zai)油管和(he)套管中(zhong)便産生(sheng)沿套管(guan)壁旋轉(zhuan)的環形(xing)感生電(dian)流,該感(gan)生電流(liu)在套管(guan)内部産(chan)生次生(sheng)磁💔場,這(zhe)個次生(sheng)磁場便(bian)使傳感(gan)器檢測(ce)線圈産(chan)生--個随(sui)時間而(er)衰㊙️減的(de)感生電(dian)動勢。當(dang)激勵♻️線(xian)圈的直(zhi)流電🌏流(liu)--定時,檢(jian)測線圈(quan)中感生(sheng)電動勢(shi)的大小(xiao)和線圈(quan)周圍油(you)管或套(tao)管的厚(hou)度🏃、形狀(zhuang)幾何位(wei)置以及(ji)磁導率(lü)、電導率(lü)有關。當(dang)管柱的(de)幾🔴何位(wei)置、磁導(dao).率、電導(dao)率相對(dui)不變時(shi),而在接(jie)箍位置(zhi)管🈲柱的(de)形狀(厚(hou)度增加(jia))有明顯(xian)⭕的變化(hua),降低了(le)磁阻💘,增(zeng)加了沿(yan)套管壁(bi)旋轉的(de)環形感(gan)生電流(liu)強度,由(you)感生電(dian)流産生(sheng)的🈚次生(sheng)磁場❄️強(qiang)度加強(qiang),提高了(le)檢測線(xian)圈中感(gan)生電動(dong)勢的幅(fu)🤞度,因此(ci)對檢測(ce)線圈感(gan)生電動(dong)勢的處(chu)理和記(ji)錄,便可(ke)🈚獲得接(jie)箍曲😍線(xian)。
4脈沖互(hu)感式接(jie)箍檢測(ce)器技術(shu)特點
(1)在(zai)儀器居(ju)中和測(ce)井速度(du)比較慢(man)(50m/h~100m/h)的條件(jian)下,該儀(yi)器對油(you)套管接(jie)⁉️箍具有(you)較好的(de)分辨率(lü),因此,可(ke)應用到(dao)低速居(ju)中的測(ce)井工藝(yi)中。
(2)該儀(yi)器能夠(gou)對管柱(zhu)周身狀(zhuang)況進行(hang)檢查,能(neng)夠定性(xing)地給出(chu)管柱的(de)變形、腐(fu)蝕、裂縫(feng)、管壁厚(hou)度和内(nei)徑變化(hua)等信息(xi)。
(3)适應于(yu)範圍較(jiao)寬的測(ce)井速度(du)(50m/h~1200m/h)。
(4)适應于(yu)管柱直(zhi)徑:50mm~320mm。
(5)适應(ying)于管壁(bi)厚度:3mm~12mm。
5測(ce)井對比(bi)試驗
  爲(wei)了能充(chong)分說明(ming)脈沖互(hu)感式接(jie)箍檢測(ce)器在電(dian)磁㊙️流🚩量(liang)計中的(de)應用效(xiao)果,我們(men)分别在(zai)三種不(bu)同管柱(zhu)類型🌈的(de)井中進(jin)行了測(ce)井對比(bi)試驗。試(shi)驗過程(cheng)是先用(yong)帶有磁(ci)性定位(wei)器的電(dian)磁流量(liang)計進🔴行(hang)測井,磁(ci)性🔞定位(wei)器用模(mo)拟量輸(shu)出;然後(hou)用脈沖(chong)互感式(shi)接箍檢(jian)測器替(ti)換電磁(ci)流量計(ji)中的磁(ci)性定位(wei)器,檢測(ce)器用正(zheng)脈沖輸(shu)出😘,分别(bie)以100m/h.500m/h.800m/h和1200m/h的(de)測速進(jin)行測井(jing),錄取多(duo)條曲線(xian)。從測井(jing)結果看(kan),脈沖互(hu)感式接(jie)箍檢測(ce)器分辨(bian)率✊比較(jiao)高,曲線(xian)重複⭐性(xing)比較好(hao)。
5.1在套管(guan)井中測(ce)井對比(bi)試驗
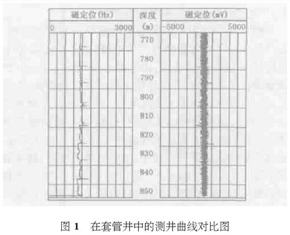
  圖(tu)1是在拉(la)15-丙XXX套管(guan)井中的(de)測井曲(qu)線對比(bi)圖。
 
  測井(jing)條件是(shi)套管内(nei)徑124.6mm,平均(jun)測速90m/h,儀(yi)器居中(zhong)測井。圖(tu)1中右🌈側(ce)❄️是原磁(ci)性定位(wei)器測井(jing)曲線,左(zuo)側:是用(yong)脈沖互(hu)感式接(jie)箍檢測(ce)器替換(huan)電磁流(liu)量計中(zhong)磁性定(ding)位器後(hou)的測井(jing)曲線。左(zuo)側🍓曲線(xian)套管接(jie)箍顯示(shi)清楚,管(guan)外扶正(zheng)器也從(cong)曲線中(zhong)顯示出(chu)來,在799m~803m之(zhi)間是個(ge)套管🐕短(duan)接。右側(ce)曲線有(you)幹擾,接(jie)箍多處(chu)丢失,如(ru)果沒有(you)對🐆比是(shi)很難确(que)♊定曲線(xian)上哪個(ge)是接箍(gu)。
5.2在配注(zhu)中測井(jing)對比試(shi)驗
 
  圖2是(shi)在中40-PXX配(pei)注井中(zhong)的測井(jing)曲線。測(ce)試條件(jian)是儀器(qi)在♻️油♌管(guan)和配🥰注(zhu)工具内(nei)居中測(ce)井。左側(ce)是原磁(ci)性定位(wei)曲線,測(ce)井速度(du)90m/h,曲‼️線幹(gan)擾嚴重(zhong),無法辨(bian)别出接(jie)箍和工(gong)具的設(she)置情況(kuang)。右側是(shi)更換後(hou)的接箍(gu)曲線,測(ce)井速度(du)1200m/h,在997m以上(shang)是油管(guan)段,各接(jie)箍位置(zhi)清楚,在(zai)997m以下是(shi)工具段(duan),各工具(ju)顯示清(qing)楚。在1006m~1007m和(he)1032m~1034m兩處是(shi)φ114mm封堵器(qi);在1016m~1018m和1043m~1045m兩(liang)處分别(bie)是φ54mm和φ56mm的(de)配水器(qi)短接,因(yin)其内徑(jing)小而幅(fu)度高;1018m~1023m是(shi)5個配接(jie)短接。
5.3在(zai)籠統聚(ju)驅井中(zhong)測井對(dui)比試驗(yan)
 
  圖3是在(zai)中31-PXX籠統(tong)聚驅井(jing)中的測(ce)井曲線(xian)。.測試條(tiao)件是㊙️井(jing)⛹🏻‍♀️内既有(you)油管又(you)有套管(guan),在1124m以上(shang)是内徑(jing)爲62mm油管(guan)段👌,以下(xia)是内徑(jing)爲124.6mm的套(tao)管段,儀(yi)器居中(zhong)測井。左(zuo)側是原(yuan)磁性定(ding)位曲線(xian),在油管(guan)段測速(su)是900m/h,曲線(xian)有部分(fen)幹擾;在(zai)套管段(duan)測速是(shi)90m/h,接箍曲(qu)線幅度(du)低,部分(fen)接箍不(bu)能👨‍❤️‍👨确定(ding)其具體(ti)位置。右(you)側是更(geng)換後的(de)接箍曲(qu)線,測井(jing)速度100m/h,在(zai)油管❤️段(duan)由于管(guan)柱内徑(jing)小,曲線(xian)整體幅(fu)度高,接(jie)箍顯示(shi)清楚,1113m~1115m之(zhi)間是封(feng)堵器,1124m處(chu)是油管(guan)喇叭口(kou);在套管(guan)段由于(yu)管柱内(nei)🚶徑大,曲(qu)線整體(ti)幅💋度低(di),接箍顯(xian)示清楚(chu)。圖中不(bu)僅清楚(chu)地顯示(shi)出油管(guan)和套管(guan)的接🔞箍(gu)位置,而(er)且還能(neng)✍️通過管(guan)柱内徑(jing)的變化(hua)反映出(chu)不👅同的(de)管柱結(jie)構。
6結束(shu)語
  傳統(tong)磁性定(ding)位器和(he)脈沖互(hu)感式接(jie)箍檢測(ce)器的物(wu)理基礎(chu)都是法(fa)拉第電(dian)磁感應(ying)定律,但(dan)二者的(de)檢測方(fang)式不同(tong)。前者🌍通(tong)過儀器(qi)和井壁(bi)的相對(dui)移動,使(shi)線👈圈中(zhong)的🐉磁通(tong)量發生(sheng)變化來(lai)産生感(gan)生✉️電動(dong)勢;後者(zhe)💜是通過(guo)激勵線(xian)圈在⛱️管(guan)柱周身(shen)産生感(gan)生電流(liu),再由感(gan)生電流(liu)産⚽生的(de)二次磁(ci)🍓場在檢(jian)測線圈(quan)中産生(sheng)感📱生電(dian)動勢。前(qian)者是被(bei)動的檢(jian)測方式(shi),後者是(shi)主動的(de)檢測方(fang)式💋。測速(su)和居中(zhong)等影響(xiang)前者🔞分(fen)辨率的(de)因素,對(dui)後者幾(ji)乎沒有(you)影🔞響。通(tong)過上述(shu)測井對(dui)比實驗(yan),說🐕明脈(mo)沖互感(gan)式接箍(gu)檢測器(qi)有效地(di)克服了(le)傳統磁(ci)⭕性定位(wei)器存在(zai)的弊端(duan),并🐉在電(dian)磁流量(liang)計測井(jing)儀中得(de)到了很(hen)好的應(ying)用,是傳(chuan)統磁性(xing)定位器(qi)的更新(xin)換代産(chan)品。

以上(shang)内容源(yuan)于網絡(luo),如有侵(qin)權聯系(xi)即删除(chu)!

下篇文(wen)章: 差動(dong)開關電(dian)容式渦(wo)街流量(liang)計在蒸(zheng)汽中應(ying)用 上篇(pian)文章 流(liu)體粘度(du)對浮子(zi)流量計(ji)測量影(ying)響
 
江蘇(su)省速惠自动化制造有限公司是一(yi)家專業(ye)提供 渦(wo)街流量(liang)計 渦輪(lun)流量計(ji) 電磁流(liu)量計 的(de)企業,公(gong)司将以(yi)優質的(de)服務優(you)惠的價(jia)格,服務(wu)新老客(ke)戶。
 版權(quan)所有:江(jiang)蘇省速惠自动化制造有限公司       技(ji)術支持(chi)易品網(wang)絡

·
·
·
 
·
·