|
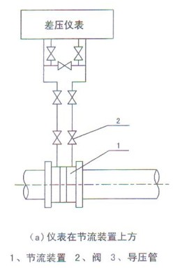
(1)、孔闆(pan)流量(liang)計安(an)裝位(wei)置
孔(kong)闆流(liu)量計(ji)
安裝(zhuang)時應(ying)将節(jie)流裝(zhuang)置裝(zhuang)在上(shang)方,以(yi)使導(dao)壓管(guan)内所(suo)🈲産生(sheng)的冷(leng)凝液(ye)流回(hui)輸送(song)管道(dao)。如圖(tu)a所示(shi)。
如果(guo)孔闆(pan)流量(liang)計不(bu)得不(bu)裝在(zai)節流(liu)裝置(zhi)下方(fang)時,爲(wei)🥰了減(jian)少水(shui)分凝(ning)結在(zai)導壓(ya)管内(nei),從節(jie)流裝(zhuang)置開(kai)始引(yin)出的(de)導壓(ya)管裝(zhuang)有U型(xing)🔞管道(dao),上端(duan)至少(shao)應高(gao)于輸(shu)送管(guan)❗道中(zhong)心線(xian)0.7米。如(ru)圖b所(suo)示。

(2)、導(dao)壓管(guan)開口(kou)位置(zhi)
在水(shui)平或(huo)傾斜(xie)的輸(shu)送管(guan)道上(shang),爲了(le)避免(mian)輸送(song)管道(dao)👉中冷(leng)凝液(ye)進🧑🏾🤝🧑🏼入(ru)導管(guan),導壓(ya)管應(ying)從節(jie)流裝(zhuang)置截(jie)面的(de)㊙️上半(ban)💔部引(yin)出。
(3)、若(ruo)其他(ta)中含(han)有污(wu)物和(he)灰塵(chen),到導(dao)壓管(guan)彎處(chu)應裝(zhuang)十接(jie)頭,以(yi)便清(qing)洗和(he)吹洗(xi)。
|