|
測(ce)量原(yuan)理
SKD800系(xi)列智(zhi)能型(xing)雷達(da)物位(wei)計
發(fa)射能(neng)量很(hen)低的(de)極短(duan)的微(wei)波脈(mo)沖通(tong)過天(tian)線系(xi)統發(fa)射并(bing)接收(shou)。雷達(da)波以(yi)光速(su)運行(hang)。運行(hang)時間(jian)可以(yi)通過(guo)電子(zi)部件(jian)被轉(zhuan)換成(cheng)物位(wei)信号(hao)。一種(zhong)特殊(shu)的時(shi)間延(yan)伸方(fang)法可(ke)以确(que)保短(duan)時間(jian)内穩(wen)定和(he)準确(que)的測(ce)量。即(ji)使工(gong)況♋比(bi)較複(fu)雜的(de)情況(kuang)下,存(cun)在虛(xu)假回(hui)波,其(qi)用微(wei)處理(li)和調(diao)試軟(ruan)件也(ye)可👅以(yi)分析(xi)出物(wu)🧑🏽🤝🧑🏻位的(de)回波(bo)。
輸入(ru)
天線(xian)接收(shou)反射(she)的微(wei)波脈(mo)沖并(bing)将其(qi)傳輸(shu)給電(dian)子線(xian)路,微(wei)📧處理(li)😘器對(dui)此信(xin)号進(jin)行處(chu)理,識(shi)别出(chu)微脈(mo)沖在(zai)🎯物料(liao)表面(mian)🛀所産(chan)生的(de)回波(bo)。正确(que)的回(hui)波信(xin)号識(shi)别由(you)智能(neng)軟☂️件(jian)完成(cheng),精度(du)可達(da)到毫(hao)米級(ji)。距離(li)物料(liao)表面(mian)🐉的距(ju)離D與(yu)脈沖(chong)的時(shi)間行(hang)程T成(cheng)正比(bi):
D=C×T/2
其中(zhong)C爲光(guang)速
因(yin)空罐(guan)的距(ju)離E已(yi)知,則(ze)物位(wei)L爲:
L=E-D
輸(shu)出
通(tong)過輸(shu)入空(kong)罐高(gao)度E(=零(ling)點),滿(man)罐高(gao)度F(=滿(man)量程(cheng))及一(yi)些‼️應(ying)用📐參(can)💜數來(lai)設定(ding),應用(yong)參數(shu)将自(zi)動使(shi)儀表(biao)适應(ying)測量(liang)環境(jing)。對應(ying)于4-20mA輸(shu)出。
應(ying)用介(jie)質:
SKD800系(xi)列雷(lei)達物(wu)位計(ji)适用(yong)于對(dui)液體(ti)、漿料(liao)及顆(ke)粒料(liao)的物(wu)✂️位進(jin)行非(fei)❌接觸(chu)式連(lian)續測(ce)量,适(shi)用于(yu)溫度(du)、壓力(li)變化(hua)大;有(you)惰🐆性(xing)氣體(ti)及揮(hui)發存(cun)在的(de)場合(he)。
采用(yong)微波(bo)脈沖(chong)的測(ce)量方(fang)法,并(bing)可在(zai)工業(ye)頻率(lü)波段(duan)🏃🏻♂️範圍(wei)内🈲正(zheng)常工(gong)作。波(bo)束能(neng)量較(jiao)低,可(ke)安裝(zhuang)于各(ge)種金(jin)屬、非(fei)✌️金屬(shu)容器(qi)或管(guan)道内(nei),對人(ren)體及(ji)環境(jing)均無(wu)傷害(hai)。
産品(pin)簡介(jie):
|
SKD800
系列(lie)智能(neng)雷達(da)物位(wei)儀表(biao)
|
|
|
|
|
類 别(bie)
|
SKD801
|
SKD802
|
SKD803
|
|
應 用(yong)
|
過程(cheng)條件(jian)簡單(dan),腐蝕(shi)性的(de)液體(ti)、漿料(liao)、固體(ti)
比如(ru):
水液(ye)儲罐(guan)
酸堿(jian)儲罐(guan)
漿料(liao)儲罐(guan)
固體(ti)顆粒(li)
小型(xing)儲油(you)罐
|
存(cun)儲或(huo)過程(cheng)容器(qi)腐蝕(shi)性的(de)液體(ti)、漿料(liao)、固體(ti)
比如(ru):
水液(ye)儲罐(guan)
酸堿(jian)儲罐(guan)
漿料(liao)儲罐(guan)
固體(ti)顆粒(li)
小型(xing)儲油(you)罐
|
适(shi)應各(ge)種存(cun)儲容(rong)器或(huo)過程(cheng)計量(liang)環境(jing),液體(ti)、漿料(liao)、固體(ti)
比如(ru):
原油(you)、輕油(you)儲罐(guan)
原煤(mei)、粉煤(mei)倉位(wei)
揮發(fa)性液(ye)體儲(chu)罐
焦(jiao)碳料(liao)位
漿(jiang)料儲(chu)罐
固(gu)體顆(ke)粒
|
|
測(ce) 量 範(fan) 圍
|
20米(mi)
|
20米
|
35米(mi)
|
|
過 程(cheng) 連 接(jie)
|
螺紋(wen)
|
法蘭(lan)
|
法蘭(lan)
|
|
過 程(cheng) 溫 度(du)
|
-40-130℃
|
-40-150℃
|
-40-250℃
|
|
過 程(cheng) 壓 力(li)
|
-1.0-3bar
|
-1.0-20bar
|
-1.0-40bar
|
|
重 複(fu) 性
|
± 3mm
|
± 3mm
|
± 3mm
|
|
精(jing) 度
|
< 0.1%
|
< 0.1%
|
< 0.1%
|
|
頻(pin) 率 範(fan) 圍
|
6.8GHz
|
6.8GHz
|
6.8GHz
|
|
防(fang)爆/防(fang)護等(deng)級
|
EXiaIICT6/IP68
|
EXiaIICT6/IP68
|
EXiaIICT6/IP68
|
|
信(xin) 号 輸(shu) 出
|
4…20mA/HART(兩(liang)線)
|
4…20mA/HART兩(liang)線)
|
4…20mA/HART(兩(liang)線)
|
安(an)裝指(zhi)南
安(an)裝說(shuo)明
-
推(tui)薦距(ju)離(1)牆(qiang)至安(an)裝短(duan)管的(de)外壁(bi):
-
離罐(guan)壁爲(wei)罐直(zhi)徑1/6處(chu),最小(xiao)距離(li)爲200mm。
-
不(bu)能安(an)裝在(zai)入料(liao)口的(de)上方(fang)(4)。
-
不能(neng)安裝(zhuang)在中(zhong)心位(wei)置(3),如(ru)果安(an)裝在(zai)中央(yang),會産(chan)生多(duo)重虛(xu)假回(hui)波,幹(gan)擾回(hui)波會(hui)導緻(zhi)信号(hao)丢失(shi)。
-
如果(guo)不能(neng)保持(chi)儀表(biao)與罐(guan)壁的(de)距離(li),罐壁(bi)上的(de)介質(zhi)會黏(nian)附造(zao)成虛(xu)假回(hui)波,在(zai)調試(shi)儀表(biao)的時(shi)候應(ying)該進(jin)行虛(xu)假回(hui)波存(cun)儲。
|
|
|
|
|
|
罐(guan)内安(an)裝
-
在(zai)信号(hao)波束(shu)内,應(ying)避免(mian)有如(ru)下安(an)裝物(wu)(1):例如(ru)限位(wei)開關(guan)💔,溫💘度(du)傳感(gan)⚽器等(deng)。
-
對稱(cheng)裝置(zhi)(2),如真(zhen)空環(huan),加熱(re)線圈(quan),擋闆(pan)等等(deng)。
-
如果(guo)罐内(nei)有(1)(2)幹(gan)涉物(wu)件,應(ying)采用(yong)導波(bo)管進(jin)行測(ce)量。
安(an)裝選(xuan)擇
-
天(tian)線尺(chi)寸:天(tian)線越(yue)大,波(bo)束角(jiao)越小(xiao),幹擾(rao)回波(bo)将越(yue)弱💜。
-
天(tian)線調(diao)整:将(jiang)天線(xian)調整(zheng)到測(ce)量位(wei)置。
-
導(dao)波管(guan):導波(bo)管用(yong)來避(bi)免幹(gan)擾回(hui)波。
|
|
|
罐(guan)内安(an)裝(SKD801
、SKD802
)
标(biao)準安(an)裝
-
雷(lei)達天(tian)線不(bu)可向(xiang)罐壁(bi)傾斜(xie)。
-
爲了(le)使溫(wen)度影(ying)響最(zui)小化(hua),在對(dui)接法(fa)蘭的(de)連接(jie)處必(bi)須使(shi)用彈(dan)簧🥵墊(nian)圈。
-
杆(gan)式天(tian)線必(bi)須伸(shen)出安(an)裝短(duan)管。
-
垂(chui)直放(fang)置杆(gan)式天(tian)線,不(bu)要讓(rang)雷達(da)束指(zhi)向罐(guan)壁。
|
|
|
|
|
|
安裝(zhuang)短管(guan)較長(zhang)時使(shi)用天(tian)線延(yan)伸管(guan)
-
當喇(la)叭長(zhang)度小(xiao)于安(an)裝短(duan)管長(zhang)度時(shi),應使(shi)用天(tian)線延(yan)伸☎️管(guan)。
-
如果(guo)喇叭(ba)直徑(jing)大于(yu)安裝(zhuang)短管(guan)的直(zhi)徑,包(bao)括延(yan)伸管(guan)⭕在内(nei)的天(tian)線需(xu)要從(cong)容器(qi)裏面(mian)安裝(zhuang),并将(jiang)儀表(biao)擡高(gao)🌐。選擇(ze)延伸(shen)管使(shi)儀表(biao)至少(shao)擡高(gao)100mm。
|
|
|
導波(bo)管内(nei)安裝(zhuang)
-
雷達(da)傳感(gan)器通(tong)過導(dao)波管(guan)或旁(pang)通管(guan)進行(hang)測量(liang),測量(liang)😘管起(qi)🍓到導(dao)波作(zuo)用。下(xia)面是(shi)一個(ge)測量(liang)管(導(dao)波管(guan)的構(gou)造圖(tu))
-
測量(liang)管内(nei)壁必(bi)須平(ping)滑,如(ru)果可(ke)能的(de)話測(ce)量管(guan)的内(nei)徑需(xu)要與(yu)🧑🏽🤝🧑🏻喇叭(ba)口的(de)直徑(jing)相符(fu),請使(shi)用縱(zong)伸焊(han)接的(de)不鏽(xiu)鋼管(guan)👣。可以(yi)通過(guo)💞預先(xian)焊接(jie)的法(fa)蘭盤(pan)或焊(han)接頭(tou)🙇♀️延長(zhang)測量(liang)管。
必(bi)須注(zhu)意:
-
焊(han)接時(shi),不能(neng)産生(sheng)凸點(dian)或凸(tu)緣。将(jiang)法蘭(lan)和測(ce)量管(guan)對齊(qi)固定(ding),然後(hou)😍焊接(jie)。焊接(jie)不要(yao)穿透(tou)測量(liang)管管(guan)壁,管(guan)内🌈壁(bi)必須(xu)保持(chi)平🏃♂️滑(hua),一定(ding)要小(xiao)心的(de)除去(qu)焊縫(feng)和不(bu)平滑(hua)的地(di)方,否(fou)則會(hui)造成(cheng)很強(qiang)的🌐虛(xu)假回(hui)波。
|
|
測(ce)量條(tiao)件
注(zhu)意事(shi)項
-
測(ce)量範(fan)圍從(cong)波束(shu)觸及(ji)罐低(di)的那(na)一點(dian)開始(shi)計算(suan),但💞在(zai)特殊(shu)情況(kuang)下,若(ruo)罐低(di)爲凹(ao)型或(huo)錐形(xing),當物(wu)位低(di)于㊙️此(ci)點時(shi)無👈法(fa)進✌️行(hang)測量(liang)。
-
若介(jie)質爲(wei)低介(jie)電常(chang)數當(dang)其處(chu)于低(di)液位(wei)時,罐(guan)低可(ke)見,此(ci)時爲(wei)保證(zheng)測量(liang)精度(du),建議(yi)将零(ling)點定(ding)在低(di)高度(du)爲C 的(de)位置(zhi)。
-
理論(lun)上測(ce)量達(da)到天(tian)線尖(jian)端的(de)位置(zhi)是可(ke)能的(de),但是(shi)考慮(lü)🌏到腐(fu)🛀🏻蝕及(ji)粘附(fu)的影(ying)響,測(ce)量範(fan)圍的(de)終值(zhi)應距(ju)離天(tian)線的(de)🐆尖端(duan)至少(shao)100mm。
-
對于(yu)過溢(yi)保護(hu),可定(ding)義一(yi)段安(an)全距(ju)離附(fu)加在(zai)盲區(qu)💯上。
-
最(zui)小測(ce)量範(fan)圍與(yu)天線(xian)有關(guan)。
-
随濃(nong)度不(bu)同,泡(pao)沫既(ji)可以(yi)吸收(shou)微波(bo),又可(ke)以将(jiang)其反(fan)射,但(dan)在一(yi)定💯的(de)條件(jian)下是(shi)可以(yi)進行(hang)測量(liang)的。
測(ce)量範(fan)圍超(chao)出的(de)動作(zuo)
當測(ce)量範(fan)圍超(chao)出時(shi),儀表(biao)輸出(chu)爲22mA電(dian)流。
接(jie)線方(fang)式
調(diao)試
SKD800可(ke)以通(tong)過三(san)種方(fang)式調(diao)試:
-
通(tong)過顯(xian)示調(diao)整模(mo)塊SKPM
-
通(tong)過調(diao)試軟(ruan)件SKSOFT
-
通(tong)過HART手(shou)持編(bian)程器(qi)
|
現場(chang)編程(cheng)模塊(kuai)(
SKPM
)
-
SKPM編程(cheng)器由(you)6個按(an)鍵和(he)一個(ge)液晶(jing)顯示(shi)屏,可(ke)以顯(xian)示調(diao)整菜(cai)單和(he)參數(shu)設置(zhi)。其功(gong)能相(xiang)當于(yu)一個(ge)分析(xi)處理(li)儀表(biao)。
|
SKPM
|
|
|
|
通過(guo)
SKSOFT
軟件(jian)調試(shi)
無論(lun)那種(zhong)信号(hao)輸出(chu),4…20mA/HART,雷達(da)傳感(gan)器都(dou)可以(yi)通過(guo)軟件(jian)📧進行(hang)調試(shi)。采用(yong)BTSOFT軟件(jian)進行(hang)儀表(biao)調試(shi),需要(yao)一個(ge)儀表(biao)CONNECTCAT驅動(dong)器。
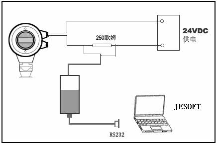
使(shi)用軟(ruan)件調(diao)試的(de)時候(hou),給雷(lei)達儀(yi)表加(jia)電24VDC,同(tong)時在(zai)連接(jie)HART适配(pei)👌器前(qian)端加(jia)一個(ge)250歐姆(mu)的電(dian)阻。如(ru)果一(yi)體式(shi)HART電阻(zu)(内部(bu)電阻(zu)250歐姆(mu))的供(gong)電儀(yi)表,就(jiu)不需(xu)要附(fu)加外(wai)部電(dian)阻,HART适(shi)配器(qi)可以(yi)和4…20mA線(xian)并聯(lian)。
SKD800
系列(lie)尺寸(cun)
編程(cheng)器
尺(chi)寸
技(ji)術數(shu)據:
基(ji)本參(can)數
工(gong)作頻(pin)率:6.8GHz
波(bo) 束 角(jiao): 24°SKD801, SKD802
18°SKD803 帶DN150法(fa)蘭
14°SKD803 帶(dai)DN200法蘭(lan)
12°SKD803 帶DN250法(fa)蘭
測(ce)量範(fan)圍:0…35m
重(zhong)複性(xing) :±3mm
分辨(bian)率 :1mm
采(cai)樣 :回(hui)波采(cai)樣55次(ci)/s
響應(ying)速度(du):>0.2s(根據(ju)具體(ti)使用(yong)情況(kuang)而定(ding))
電流(liu)信号(hao):4…20mA
精度(du) :<0.1%
天線(xian)材質(zhi) SKD801、SKD802爲PP/PTFE
SKD803 爲(wei)316L不鏽(xiu)鋼
通(tong)訊接(jie)口 HART通(tong)訊協(xie)議
過(guo)程連(lian)接 SKD801 (PP,PTFE天(tian)線) :G1-1/2 316L不(bu)鏽鋼(gang),:
SKD802(棒式(shi)天線(xian)) :翻邊(bian)法蘭(lan)DN50,DN80,DN100,DN150
SKD803(喇叭(ba)口形(xing)式天(tian)線):法(fa)蘭DN50,DN80,DN100,DN150,DN200,DN250
電(dian)源 電(dian)源:24V DC(+/-10%),波(bo)紋電(dian)壓:1Vpp
耗(hao)電量(liang):max22.5mA
環境(jing)條件(jian) 溫度(du):-40℃…+80℃
容器(qi)壓力(li)(表壓(ya))-1…40bar
防爆(bao)認證(zheng) ExiaII C T6
外殼(ke)保護(hu)等級(ji) IP68
兩線(xian)制接(jie)線 供(gong)電和(he)信号(hao)輸出(chu)共用(yong)一根(gen)兩芯(xin)導線(xian)
電纜(lan)入口(kou):2個M20×1.5(電(dian)纜直(zhi)徑5…9mm)
|