亚洲天堂中文字幕 電動蝶閥_電動對夾式蝶閥_電動切斷閥_價格-江蘇省速惠自动化制造有限公司
 
 
  ㊙️亚洲天堂中文字幕☂️電磁(ci)流量計的(de)工作原理(li)
  氧化锆氧(yang)傳感器的(de)原理及應(ying)用
  有害氣(qi)體檢測報(bao)警儀選用(yong)原則
我國(guo)計量用儀(yi)器儀表的(de)發展和現(xian)狀
  國内儀(yi)器儀表行(hang)業将發生(sheng)高科....
  西安(an)交大研制(zhi)出超高溫(wen)沖擊壓....
  采(cai)用半導體(ti)精密溫度(du)傳感......
  智能(neng)溫度傳感(gan)器的發展(zhan)趨勢
  簡述(shu)幾種氣體(ti)檢測傳感(gan)器.....
  利用傳(chuan)感器技術(shu)制造智能(neng)服裝
 
   
 
 電話(市(shi)場部):  
   (拓展(zhan)部):
 傳真:
 節(jie)假日商務(wu)聯系電話(hua):
 何經理:
 劉(liu)經理:
 郵編(bian):211600
 網址:/
 E-mail:[email protected]
     [email protected]
 地址(zhi):江蘇省金(jin)湖縣工業(ye)園區環城(cheng)西
 路269号
 您(nin)現在的位(wei)置 > 首頁 > 流(liu)量儀表 > D971X-16電(dian)動蝶閥
     

D971X-16電(dian)動蝶閥

D971X-16電(dian)動蝶閥圖(tu)示

  D971X-16電動蝶(die)閥 廣泛應(ying)用于石油(you)、化工、發電(dian)、造紙、原子(zi)能、航空火(huo)箭等各部(bu)門,以及人(ren)們日常生(sheng)活中。
D971X-16電動(dong)蝶閥産品(pin)參數
名稱(cheng):電動304闆蝶(die)閥
工作壓(ya)力: 1.6MPA
閥體材(cai)質: 304不鏽鋼(gang)
密封圈材(cai)質:乙丙密(mi)封圈/閥闆(pan)球磨鑄鐵(tie)
工作溫度(du): -20℃~120℃
适用介質(zhi):水、天然氣(qi)等
D971X-16電動蝶(die)閥電動執(zhi)行器分析(xi)




D971X-16電動蝶閥(fa)産品尺寸(cun)


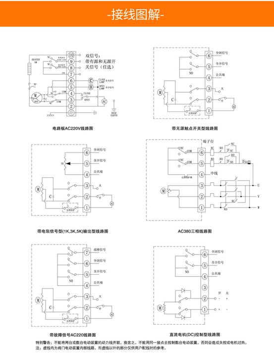
D971X-16電動蝶閥(fa)接線圖解(jie)

D971X-16電動蝶閥(fa)常見問題(ti)
安裝注意(yi)事項:
1.本産(chan)品屬非防(fang)爆産品,故(gu)不能安裝(zhuang)在有爆炸(zha)性氣體室(shi)内。
2.安裝在(zai)水霧飛濺(jian)的場合時(shi),請加防護(hu)罩,以免造(zao)成🈲滲水而(er)💛損壞機器(qi)。
3.室内安裝(zhuang)還應該預(yu)留進線,手(shou)動操作所(suo)需空間。
4.室(shi)外安裝請(qing)加防護罩(zhao),減少陽光(guang)直射,避免(mian)機内元💋器(qi)件加🔴速老(lao)化。
5.請确保(bao)手動操作(zuo)口橡膠堵(du)塞已蓋緊(jin),以策萬全(quan)。
電動法蘭(lan)蝶閥保養(yang)
1.要經常檢(jian)查管道有(you)沒有鐵鏽(xiu)、焊渣、髒物(wu)、塵士;
2.要經(jing)常檢查支(zhi)承,自重較(jiao)大及有震(zhen)動場合的(de)支承架🤟;
3.氣(qi)源絕對不(bu)能有故障(zhang);
4.閥體與上(shang)閥蓋連接(jie)處密封墊(nian)使用久了(le),要及時更(geng)換,更換時(shi)隻需卸下(xia).上閥蓋就(jiu)可安放新(xin)的密封墊(nian);
5.填料函如(ru)有滲漏要(yao)及時更換(huan)密封填料(liao),更換時将(jiang)閥杆脫開(kai)❄️,壓🈲闆和填(tian)料壓蓋取(qu)下,即可裝(zhuang)入新的填(tian)料;
6.定期檢(jian)修;
7.長期停(ting)放時,應裝(zhuang).上連接法(fa)蘭的保護(hu)罩,所以接(jie)口都🏃要用(yong)塑料塞堵(du)上。停放時(shi),
保證閥整(zheng)體的垂直(zhi)性或水平(ping)位置;
8.不要(yao)将閥支承(cheng)在敏感部(bu)位,如閥門(men)定位器、接(jie)頭、連線🈲等(deng)處

 版權所(suo)有:江蘇省(sheng)速惠自动化制造有限公司       技術支持(chi)│易品網絡(luo)

·
·
·
·