摘要:電(dian)磁流量(liang)計
是測(ce)量注聚(ju)剖面的(de)理想工(gong)具,一般(ban)應用于(yu)尾管位(wei)于🏃♂️油層(ceng)🈲之上10m的(de)籠統注(zhu)入井。電(dian)磁流量(liang)計解釋(shi)一般根(gen)據測井(jing)記錄的(de)流量頻(pin)率數計(ji)算分層(ceng)注入狀(zhuang)況。相關(guan)解釋法(fa)利用相(xiang)同儀器(qi)的不同(tong)次測井(jing)儀器常(chang)數恒定(ding)原📧理,以(yi)一次測(ce)量相關(guan)數據應(ying)用于其(qi)他測😍量(liang)解釋,降(jiang)低了單(dan)井分别(bie)計算流(liu)量校🌈正(zheng)系數帶(dai)來的誤(wu)差。特别(bie)是當尾(wei)管進入(ru)油層時(shi),相關解(jie)釋法能(neng)夠給出(chu)各層注(zhu)入☔量,解(jie)決該種(zhong)井況測(ce)井不能(neng)解釋的(de)問題。經(jing)實例驗(yan)證相關(guan)解釋法(fa)結果‼️穩(wen)定可靠(kao),誤差符(fu)合測🈲量(liang)解釋标(biao)準。
一、前(qian)言
由于(yu)油田主(zhu)力油層(ceng)水驅後(hou)剩餘油(you)飽和度(du)較低,爲(wei)提高采(cai)收率,對(dui)46面積采(cai)取聚驅(qu),射開均(jun)爲主力(li)油層,采(cai)取籠統(tong)⭕注入方(fang)式。電磁(ci)⭐流量計(ji)測量套(tao)管内流(liu)量,應用(yong)遞‼️減法(fa)得到吸(xi)聚層各(ge)部分的(de)吸入量(liang)。但是,由(you)☀️于一些(xie)因素,部(bu)分井尾(wei)管進入(ru)油層,電(dian)磁㊙️流量(liang)計無法(fa)測出全(quan)井流量(liang)頻率,進(jin)而無法(fa)解釋各(ge)部分絕(jue)對及相(xiang)對吸聚(ju)量,資料(liao)不能應(ying)用。根據(ju)電磁流(liu)量計的(de)測井特(te)點,應用(yong)相關的(de)計算方(fang)法,不但(dan)簡化了(le)普通⛷️井(jing)解釋工(gong)序,而且(qie)解🌈決了(le)尾管進(jin)入油層(ceng)井的電(dian)磁流量(liang)解釋問(wen)題,收到(dao)較好效(xiao)果。
二、電(dian)磁流量(liang)計測井(jing)原理與(yu)解釋方(fang)法
1.電磁(ci)流量計(ji)測井原(yuan)理
電磁(ci)流量計(ji)是根據(ju)電磁感(gan)應原理(li)測量流(liu)體流量(liang)的。解釋(shi)🏃♀️中記錄(lu)以脈沖(chong)計數率(lü)反映感(gan)生電動(dong)勢進而(er)反映流(liu)量的相(xiang)對值。解(jie)釋時首(shou)先根據(ju)井口注(zhu)入量除(chu)以射孔(kong)層以上(shang)代表全(quan)井的計(ji)數率與(yu)射孔層(ceng)以下代(dai)表🌏零流(liu)量的計(ji)數率之(zhi)差求得(de)流量校(xiao)正系數(shu)k,由k和各(ge)點的測(ce)量值求(qiu)⛷️出各層(ceng)合層流(liu)量,通過(guo)分🏃♀️層遞(di)減法求(qiu)出分層(ceng)吸入量(liang)。所以解(jie)釋的前(qian)提是尾(wei)管位于(yu)油層以(yi)上,當尾(wei)管👣進入(ru)油層後(hou),電磁流(liu)量計無(wu)法測出(chu)全井流(liu)量🐉頻率(lü),進而無(wu)法解釋(shi)🌈測量值(zhi)及各層(ceng)吸入量(liang)。
2.相關解(jie)釋原理(li)
常規解(jie)釋方法(fa)根據測(ce)量記錄(lu)的頻率(lü)計數率(lü)求出📞各(ge)🌂層流♌量(liang)的相對(dui)值,再由(you)井口記(ji)錄的全(quan)井總流(liu)量分配(pei)🛀計算出(chu)分層注(zhu)入流量(liang)。由于儀(yi)器檢定(ding)後,在垂(chui)直管柱(zhu)内一定(ding)的流道(dao)⛱️直徑和(he)測量速(su)度範圍(wei)内,測量(liang)所記錄(lu)的的頻(pin)率計數(shu)率與流(liu)量成線(xian)性關系(xi),不同次(ci)(N)測井之(zhi)間如果(guo)任意兩(liang)個深度(du)點頻率(lü)計數率(lü)差值不(bu)變,則該(gai)兩點間(jian)的流量(liang)(Q)變化量(liang)一緻。
k=(Q1-Q2)/(N1-N2)
在(zai)儀器性(xing)能穩定(ding)且滿足(zu)測量條(tiao)件前提(ti)下,可以(yi)依據💯一(yi)次測量(liang)結果得(de)到的k值(zhi)應用于(yu)不同次(ci)測井,通(tong)過記錄(lu)的頻率(lü)計數率(lü)計🤞算不(bu)同深度(du)處的絕(jue)對流❓量(liang)及各層(ceng)的分層(ceng)注入量(liang),避免因(yin)井口計(ji)量誤差(cha)導緻整(zheng)個注入(ru)剖面的(de)☂️偏差,同(tong)時簡化(hua)了不同(tong)次測井(jing)📞解釋流(liu)量校✔️正(zheng)系數過(guo)程,降低(di)讀值誤(wu)差。對于(yu)尾管進(jin)入油層(ceng)井,依⛷️據(ju)相關法(fa)求出尾(wei)管以下(xia)各層的(de)絕✏️對流(liu)量,并根(gen)據全井(jing)流量值(zhi)求出尾(wei)管進入(ru)油層的(de)絕🚶♀️對流(liu)量值。
三(san)、資料解(jie)釋與應(ying)用
1.應用(yong)條件
由(you)于測井(jing)記錄的(de)是流量(liang)相對數(shu)據,不同(tong)次測井(jing)的測量(liang)速💘度可(ke)能不盡(jin)相同,導(dao)緻相同(tong)流量的(de)計數率(lü)不等,在(zai)速度滿(man)足線性(xing)範圍并(bing)相對穩(wen)定時,其(qi)不影響(xiang)相關流(liu)量解釋(shi)。垂直管(guan)道内流(liu)體的流(liu)速與套(tao)管内徑(jing)及流體(ti)性質有(you)關,所以(yi)應用相(xiang)關法解(jie)釋資料(liao)時保證(zheng)不同♌次(ci)測井的(de)目的層(ceng)段套管(guan)内徑相(xiang)同且👌注(zhu)入的聚(ju)合物混(hun)合液成(cheng)份及物(wu)性一緻(zhi)。相關💰解(jie)釋法的(de)前提是(shi)測量儀(yi)器具👄有(you)穩定性(xing)和一緻(zhi)性,所以(yi)應用時(shi)要選擇(ze)井況‼️符(fu)合測量(liang)條件、儀(yi)器性能(neng)穩定㊙️、操(cao)作嚴格(ge)執行标(biao)準、資料(liao)完好無(wu)幹擾的(de)測井資(zi)料計算(suan)流量系(xi)數k值,在(zai)應用k值(zhi)處理不(bu)同次測(ce)井資料(liao)時,不但(dan)要檢查(cha)儀器是(shi)否因外(wai)部影響(xiang)造成性(xing)能改變(bian),而且讀(du)值也要(yao)避開由(you)于套管(guan)壁厚變(bian)化或管(guan)内附着(zhe)物引🔆起(qi)的縮徑(jing)及幹擾(rao)部位。
2.解(jie)釋結果(guo)可靠性(xing)分析
爲(wei)了驗證(zheng)相關解(jie)釋法的(de)正确性(xing),選擇同(tong)時期相(xiang)同儀器(qi)測量的(de)6口中進(jin)行電磁(ci)流量測(ce)井實驗(yan),這6口井(jing)均爲同(tong)時投入(ru)的46面積(ji)聚驅井(jing),射開均(jun)爲主力(li)油層🈲,采(cai)取籠統(tong)注入方(fang)式,尾管(guan)位于目(mu)的層之(zhi)上。如X422SP31井(jing),根據測(ce)量曲線(xian)計算全(quan)🏃♀️井計數(shu)率與零(ling)流量差(cha)值爲95.4Hz,代(dai)表全井(jing)流量爲(wei)80m³/d,得到k=0.8386 m³/(d·Hz)。解(jie)釋📱X532P50井時(shi),在1052、1061、1071m各點(dian)曲線的(de)流量頻(pin)率與1084m零(ling)流量差(cha)分别爲(wei)108.6、100、10Hz,加入k值(zhi)後各點(dian)合層流(liu)量分别(bie)爲91.1、83.8、8.3m³/d,由此(ci)分層注(zhu)入量分(fen)别爲7.3、75.5、8.3m³/d,與(yu)常規解(jie)釋方法(fa)相🔅比,合(he)層流量(liang)誤差最(zui)大爲1.8m³/d,分(fen)層流量(liang)誤差最(zui)大爲1.5m³/d。
相(xiang)對解釋(shi)的全井(jing)注入量(liang)與其井(jing)口計量(liang)誤差最(zui)大🏃♀️爲1.8%,所(suo)有合層(ceng)注入量(liang)解釋中(zhong)X534P55的葡I21層(ceng)合層注(zhu)入量誤(wu)差最大(da),達到9.1%,這(zhe)是由🈲于(yu)常規解(jie)釋方法(fa)把葡I12的(de)4.6m³/d分層注(zhu)入量舍(she)棄歸😘到(dao)葡I21層造(zao)成的🈲。由(you)此可見(jian),應用相(xiang)關解釋(shi)方法是(shi)可行的(de),其誤差(cha)在資料(liao)解釋誤(wu)差标準(zhun)範圍内(nei)。
3.尾管伸(shen)入油層(ceng)部位注(zhu)入剖面(mian)解釋
對(dui)尾管伸(shen)入油層(ceng)部位的(de)井進行(hang)測量時(shi),目的井(jing)段部🔱分(fen)🌈在油🚶♀️管(guan)👄内測量(liang),所處油(you)管内儀(yi)器與管(guan)壁環形(xing)空間與(yu)套管内(nei)差距很(hen)大,由于(yu)儀器本(ben)身阻流(liu)作用等(deng)因素影(ying)響,流量(liang)與測量(liang)頻率計(ji)數率已(yi)經失去(qu)線性關(guan)系,不能(neng)簡單地(di)以計數(shu)率與半(ban)徑的關(guan)系換算(suan)流量值(zhi),所以常(chang)規解釋(shi)方法無(wu)法得到(dao)🚶代表總(zong)流量☀️的(de)計數率(lü)值,無從(cong)計算合(he)層及分(fen)層流量(liang)。如X431PS37井🔞,2025年(nian)11月測量(liang)實際尾(wei)管1058.8m,進📧入(ru)第二射(she)孔層内(nei),測量顯(xian)示該井(jing)1060、1066.8、1075.2、1079.4、1083.6、1085.5m各深度(du)點處的(de)頻率⛷️計(ji)數率分(fen)别爲107、107、100.4、49.3、2.4、2.4Hz,利(li)用相關(guan)法以同(tong)日測量(liang)的X43P41井點(dian)測資料(liao)得到k=0.8816m3/(d·Hz),解(jie)釋合層(ceng)注入量(liang)分别爲(wei)94.3、94.3、88.5、43.5、2.1、2.1m³/d,因全井(jing)流量爲(wei)100m³/d,那麽對(dui)應油管(guan)部分的(de)地層注(zhu)入量爲(wei)5.7m³/d。
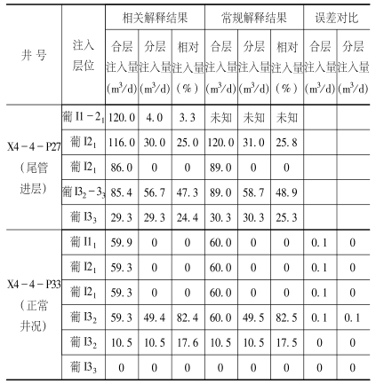
X44P27爲尾管(guan)進入油(you)層井,其(qi)與X44P33、X433P48井均(jun)爲11月27日(ri)測量,根(gen)據後者(zhe)💞得到k=0.8287m3/(d·Hz),通(tong)過💋相關(guan)解釋另(ling)外2口井(jing)結果見(jian)表1。
表1 同(tong)一相關(guan)值在尾(wei)管進層(ceng)井和正(zheng)常井況(kuang)的解釋(shi)結果對(dui)比
表1顯(xian)示同一(yi)流量系(xi)數應用(yong)于正常(chang)井況和(he)常規解(jie)釋符🔴合(he)較✊好。對(dui)于尾管(guan)進入油(you)層井,常(chang)規解釋(shi)忽視了(le)對應油(you)管地層(ceng)吸👈入量(liang),如果該(gai)部分吸(xi)入量較(jiao)大,将會(hui)給😍解釋(shi)結果帶(dai)來很大(da)偏差;相(xiang)對解釋(shi)能夠準(zhun)确計算(suan)套管内(nei)測量各(ge)層絕對(dui)吸入量(liang),并計算(suan)油管測(ce)量層葡(pu)I121的流量(liang),方法簡(jian)便可靠(kao),使尾管(guan)進入油(you)層井得(de)到合理(li)解釋。
四(si)、結論
電(dian)磁流量(liang)計測井(jing)相關解(jie)釋方法(fa)計算注(zhu)入剖面(mian)較爲準(zhun)确,解釋(shi)⭐工序簡(jian)化,解釋(shi)誤差降(jiang)低。尤其(qi)是相關(guan)解釋法(fa)較爲準(zhun)确地給(gei)出了尾(wei)管進入(ru)油層井(jing)各小層(ceng)的注入(ru)情況,彌(mi)補了原(yuan)解釋方(fang)法無✍️法(fa)解釋該(gai)類井各(ge)層絕對(dui)及相對(dui)注入量(liang)的不足(zu)。經過9口(kou)井的實(shi)際應用(yong),解釋全(quan)井注入(ru)量誤差(cha)在4.5%以内(nei),結果較(jiao)爲可靠(kao)。解釋中(zhong)以🏃♂️下問(wen)題不容(rong)忽視:
◎相(xiang)關解釋(shi)方法以(yi)近期不(bu)同次測(ce)井資料(liao)爲依據(ju),要求測(ce)井儀器(qi)有較好(hao)的一緻(zhi)性和穩(wen)定性;嚴(yan)格執行(hang)操作規(gui)程。
◎相關(guan)解釋方(fang)法應用(yong)在目的(de)層套管(guan)狀況一(yi)緻、注入(ru)流體性(xing)質相同(tong)的注入(ru)井。
◎相關(guan)解釋求(qiu)取k值應(ying)選擇受(shou)井況/儀(yi)器以及(ji)人爲等(deng)📧因素幹(gan)擾較小(xiao)的資料(liao),應用k值(zhi)時也要(yao)避免各(ge)種幹🌈擾(rao)影😄響。
文(wen)章來源(yuan)于網絡(luo),如有侵(qin)權聯系(xi)即删除(chu)!