|
YPF系(xi)列膜片(pian)壓力表(biao)
适用于(yu)測量具(ju)有一定(ding)腐蝕性(xing)、非凝固(gu)或非結(jie)晶的各(ge)種🙇♀️流體(ti)介質的(de)壓力或(huo)負壓。膜(mo)片壓力(li)表耐腐(fu)蝕🚶♀️性能(neng)取決于(yu)膜🚶♀️片材(cai)料。
|
|
◆結構(gou)原理
|
|
膜(mo)片壓力(li)表由測(ce)量系統(tong)(包括法(fa)蘭接頭(tou)、波紋膜(mo)片)、傳動(dong)指示機(ji)構(包括(kuo)連杆、齒(chi)輪傳動(dong)機構、指(zhi)針和度(du)🌈盤)和外(wai)殼(包括(kuo)表殼🛀🏻和(he)罩圈)等(deng)組成。膜(mo)片壓力(li)表外殼(ke)爲防濺(jian)結構,具(ju)有較好(hao)的密性(xing),故能🔞保(bao)護其内(nei)部機構(gou)免受✏️污(wu)穢浸入(ru)。
膜片壓(ya)力表的(de)作用原(yuan)理是基(ji)于彈性(xing)元件(測(ce)量系統(tong)🛀上膜🔞片(pian)♍)變形。膜(mo)片壓力(li)表在被(bei)測介質(zhi)的壓力(li)作用下(xia),迫使膜(mo)片産生(sheng)相應的(de)彈性變(bian)形---位移(yi),借助連(lian)杆組經(jing)傳動機(ji)構的傳(chuan)動并予(yu)放大,由(you)固定于(yu)齒輪🌈上(shang)的指針(zhen)逐将被(bei)測值在(zai)度盤上(shang)指示出(chu)來。
|
|
◆主要(yao)技術指(zhi)示
|
|
精度(du)等級:2.5
使(shi)用環境(jing)溫度:-40~+70℃;相(xiang)對濕度(du)不大于(yu)90%
溫度影(ying)響:使用(yong)溫度偏(pian)離20±5℃時,其(qi)溫度附(fu)加誤差(cha)不大♍于(yu)0.04%/℃
工作位(wei)置:垂直(zhi)安裝。
外(wai)殼防護(hu)等級:IP64
|
|
|
|
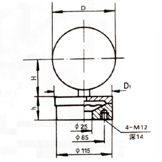
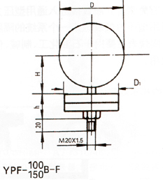
◆标(biao)度範圍(wei)、外形尺(chi)寸及重(zhong)量
|
|
型号(hao)
|
标度範(fan)圍
|
承壓(ya)部
寸D1
|
表(biao)殼
外徑(jing)D
|
重量kg
|
|
YPF-100A
|
0~0.6、0~0.1、0~0.16、0~0.25、0~0.4
0~0.6、0~0.1、0~1.6、0~2.5、-0.1~0
-0.1~0.06、-0.1~0.15、-0.1~0.3、-0.1~0.5
-0.1~0.9、-0.1~1.5、-0.1~2.4MPa
|
φ85
|
φ100
|
1.6
|
|
YPF-100B
YPF-100B-F
|
|
φ115
|
|
YPF-150A
|
φ85
|
φ150
|
1.8
|
|
YPF-150B
YPF -150B-F
|
|
φ115
|
|
YPF-100B
YPF-100B-F
|
0~1.6、0~2.5、0~4、0~6、0~10、
0~16、0~25、0~40*
-1.6~0、-2.5~0、-4~0、-6~0、-10~0
-16~0、-25~0、-40~0*
-0.8~0.8、-1.2~1.2、-2~2、-3~3、-5~5、
-8~8、-12~12、-20~20*kPa
|
φ160
|
φ100
|
2.9
|
|
YPF-150B
YPF-150B-F
|
φ160
|
φ150
|
3.2
|
|
|
*0~40、-40~0、±20KPa規(gui)格承壓(ya)部尺寸(cun)D1爲φ85
|
|
◆膜片(pian)壓力表(biao)導壓系(xi)統及外(wai)殼等主(zhu)要零件(jian)的材質(zhi)
|
|
型号
|
名(ming)稱
|
導壓(ya)系統
|
表(biao)殼材料(liao)
|
|
膜片
|
法(fa)蘭接頭(tou)
|
密封墊(nian)圈
|
|
YPF-100A
150A
|
膜片(pian)壓力表(biao)
|
Cr15Ni7Mo
(PH15-7Mo)
316H(≤25KPa)
|
1Cr18Ni9
|
丁腈橡(xiang)膠
|
鑄鋁(lü)
|
|
YPF-100B
150B
|
不鏽鋼(gang)膜片壓(ya)力表
|
聚(ju)四氟乙(yi)烯
|
1Cr18Ni9
|
|
YPF-100B-F
150B-F
|
法蘭(lan)不鏽鋼(gang)膜片壓(ya)力表
|
|
|
|
YPF-100A
|
YPF-100B
|
YPF-100B
|
YPF-150A
|
YPF-150B
|
YPF-150B-F
|
|
D
|
φ100
|
φ110
|
φ110
|
φ150
|
φ160
|
φ160
|
|
H
|
66
|
66
|
66
|
91
|
91
|
91
|
|
h
|
32
|
32
|
36
|
32
|
32
|
36
|
|
|
|
|
|
|
|
|