|
聯(lian)系方式
|
|
電(dian)話(市場部(bu)):
|
|
|
|
|
|
(拓展部):
|
|
傳(chuan)真:
|
節假日(ri)商務聯系(xi)電話:
何經(jing)理:
劉經理(li):
|
|
郵編:211600
|
|
網址(zhi):/
|
|
http://banyunshe.cc/
|
|
E-mail:[email protected]
|
|
[email protected]
|
地址:江蘇(su)省金湖縣(xian)工業園區(qu)環城西
路(lu)269号
|
|
|
SKLL系列(lie)腰輪流量(liang)計
一、概述(shu)
SKLL系列腰輪(lun)流量計
是(shi)用于對管(guan)道中液體(ti)流量進行(hang)連續或間(jian)歇測量的(de)精度佳計(ji)量儀表。它(ta)具有精度(du)高、可靠性(xing)好﹑重量輕(qing)、壽命長、安(an)裝使用方(fang)便等特點(dian),是容積式(shi)流量計❌的(de)典型産品(pin)之一。
腰輪(lun)流量計主(zhu)要由計量(liang)腔、密封聯(lian)軸器和計(ji)數器三部(bu)☂️分組成,可(ke)現場指示(shi)累積流量(liang)和瞬時流(liu)量,配以發(fa)🥰信器及智(zhi)能流量控(kong)☎️制儀.可實(shi)現遠距離(li)測量🚩和控(kong)制❓。廣泛用(yong)于石油、化(hua)工、電力、冶(ye)金☁️、交通、食(shi)品加工、醫(yi)藥、國防、商(shang)業貿易等(deng)部門對石(shi)油及石油(you)制品、化學(xue)溶液等♋流(liu)體的準确(que)計量。
二、腰(yao)輪流量計(ji)工作原理(li)
?
當被測液(ye)體流經計(ji)量室時,在(zai)流量計的(de)進出口形(xing)成壓差,腰(yao)輪在此壓(ya)差的推動(dong)下旋轉.同(tong)時通過固(gu)❄️定在腰輪(lun)軸上的一(yi)對驅動齒(chi)輪,使兩個(ge)腰輪保持(chi)連續旋轉(zhuan)。随着腰輪(lun)的轉動。液(ye)體經由計(ji)量室被不(bu)斷排出流(liu)量計。每對(dui)流過的液(ye)體量是計(ji)量室容積(ji)的四倍,通(tong)過密封聯(lian)軸器、減速(su)機構。将旋(xuan)轉次數減(jian)速後傳遞(di)到計數器(qi),計數器即(ji)😍指示液體(ti)瞬時流量(liang)和累積流(liu)量.
在計數(shu)機構中安(an)裝發信器(qi)即成了帶(dai)發信器的(de)腰輪流✍️量(liang)計.與顯示(shi)儀表或微(wei)機系統配(pei)套,可實現(xian)遠傳(定量(liang)、累積、瞬時(shi)等功能)自(zi)動化測量(liang)和控制。使(shi)用說明另(ling)見顯示🈲儀(yi)表分類說(shuo)明🛀書.
三、腰(yao)輪流量計(ji)結構框圖(tu)
四、腰輪流(liu)量計性能(neng)和壓力損(sun)失曲線
五(wu)、腰輪流量(liang)計技術參(can)數
1、工稱壓(ya)力(MPa):0.6、1.0、1.6、2.5、4.0
2、工作溫(wen)度(℃):-10~60℃
3、精度等(deng)級:0.5%、?0.2%
4、流量範(fan)圍(m³/h)
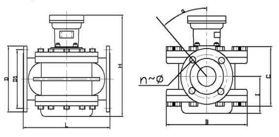
六、腰輪(lun)流量計外(wai)形及安裝(zhuang)尺寸
連接(jie)法蘭标準(zhun):JB/T79~82-1994
1.鑄鐵型腰(yao)輪流量計(ji)外形尺寸(cun)
2.鑄鋼(gang)型腰輪流(liu)量計外形(xing)尺寸
|
型号(hao)
|
L
|
H
|
I
|
B
|
D
|
D1
|
n-φ
|
|
SKLL—E25
|
180
|
260
|
68
|
120×120
|
Φ115
|
Φ85
|
4-φ14
|
|
SKLL—E40
|
300
|
290
|
88
|
φ170
|
Φ150
|
Φ110
|
4-φ18
|
|
SKLL—E50
|
360
|
315
|
103
|
Φ226
|
φ165
|
Φ125
|
4-φ18
|
|
SKLL—E80
|
360
|
348
|
128
|
Φ254
|
Φ200
|
Φ160
|
4-φ18
|
|
SKLL—E100
|
540
|
435
|
174
|
φ330
|
Φ235
|
Φ190
|
4-φ22
|
|
SKLL—E150
|
560
|
552
|
227
|
455
|
Φ300
|
Φ250
|
4-φ26
|
七、腰輪流(liu)量計選型(xing)
|
類型代号(hao)
|
專用标志(zhi)
|
材料标志(zhi)
|
公稱通徑(jing)
|
公稱壓力(li)
|
/計數器
|
發(fa)信器
|
精度(du)
|
說明
|
|
SKLL-
|
|
腰輪(lun)流量計
|
|
|
H
|
|
焊(han)接式鋼質(zhi)流量計
|
|
SP
|
|
食(shi)品用流量(liang)計
|
|
Q
|
|
計量汽(qi)油用流量(liang)計
|
|
|
A
|
|
鑄鐵材(cai)質
|
|
E
|
|
鑄鋼材(cai)質
|
|
B
|
|
不鏽鋼(gang)材質
|
|
C
|
|
不鏽(xiu)鋼316
|
|
|
25
|
|
公稱通(tong)徑爲25mm
|
|
....
|
|
|
|
150
|
|
公稱(cheng)通徑爲150mm
|
|
|
1
|
|
1.0MPa
|
|
2
|
|
1.6MPa
|
|
3
|
|
2.5MPa
|
|
4
|
|
4.0MPa
|
|
6
|
|
6.3MPa
|
|
|
A A1
|
|
用(yong)于DN40以下,A1可(ke)帶發訊器(qi)
|
|
J1
|
|
用于DN50以上(shang),可帶發訊(xun)器
|
|
A5 A6
|
|
A5單指針(zhen)字輪顯示(shi)
A6指針輪回(hui)零?均可帶(dai)發訊器
|
|
Z
|
|
雙(shuang)手柄回零(ling)
|
|
ELZ
|
|
液晶顯示(shi)(脈沖、4~20mA輸出(chu)、RS485)
|
|
|
|
|
空格爲不(bu)隔爆
|
|
B
|
|
隔爆(bao)型
|
|
|
GF-Ⅰ
|
|
三線制(zhi)脈沖(順時(shi)針)
|
|
GF-Ⅱ
|
|
三線制(zhi)脈沖(逆時(shi)針)
|
|
MF
|
|
4~20mA輸出
|
|
|
J
|
0.2級(ji)精度
|
八、腰(yao)輪流量計(ji)的安裝使(shi)用
1.流量計(ji)前應安裝(zhuang)過濾器,兩(liang)者表體上(shang)箭頭指向(xiang)與流體流(liu)動方向一(yi)緻。
2.當被測(ce)液體含有(you)氣體時,流(liu)量計前應(ying)安裝氣體(ti)分👈離器。
3.不(bu)論管路是(shi)垂直還是(shi)水平安裝(zhuang),但流量計(ji)中的腰輪(lun)😍軸安裝成(cheng)🤩水平位置(zhi)(即表度盤(pan)應與地面(mian)垂直)。
4.流量(liang)計在正确(que)安裝情況(kuang)下,如果不(bu)易看清讀(du)數.可💯把💃🏻計(ji)數器旋轉(zhuan)180°或90°均可。
5.節(jie)流閥應裝(zhuang)在流量計(ji)進口處,開(kai)閉閥裝在(zai)出口處,使(shi)♋用開閉閥(fa)時要緩慢(man)起動,不要(yao)突然開閥(fa)。
6.嚴禁用掃(sao)線蒸汽通(tong)過流量計(ji)。
7.在連續使(shi)用部門,流(liu)量計須加(jia)旁通管路(lu)。
8.流量計安(an)裝前,管道(dao)需沖洗,沖(chong)洗時采用(yong)直管段(替(ti)🏃🏻♂️代🌈流量計(ji)位置)防止(zhi)焊渣、雜物(wu)等進入流(liu)量計。
9.嚴禁(jin)用水校驗(yan)鑄鐵、鑄鋼(gang)材質組成(cheng)的流量計(ji)。
10.流量計在(zai)使用時流(liu)量大小不(bu)得超過技(ji)術要求。流(liu)量計工作(zuo)在⭕最大流(liu)量70—80%爲優。
11.被(bei)測液體如(ru)果具有化(hua)學腐蝕性(xing)。須選用不(bu)鏽鋼材質(zhi)🍓的流量計(ji)🍓,如果腐蝕(shi)性強,須選(xuan)用0Cr18Nil2M02Ti材質的(de)流量計。
12.流(liu)量計的安(an)裝方法如(ru)圖所示。
|