午夜性爱视频 渦輪流量計在原油貿易計量中應用-江蘇省速惠自动化制造有限公司
;                  
                 
        首   頁│  公(gong)司簡介  産(chan)品中心  質(zhi)量體系  銷(xiao)售網絡  聯(lian)系我們
  溫(wen)度儀表系(xi)列
  壓力儀(yi)表系列
  流(liu)量儀表系(xi)列
  顯(xian)示儀表系(xi)列
  變送器(qi)儀表系列(lie)
  電線電纜(lan)系列
 
  ㊙️午夜性爱视频📱 電磁(ci)流量計的(de)工作原理(li)
 
  有害氣(qi)體檢測報(bao)警儀選用(yong)原則
  我國(guo)計量用儀(yi)器儀表的(de)發展和現(xian)狀
  國内儀(yi)器儀表行(hang)業将發生(sheng)高科....
  西安(an)交大研制(zhi)出超高溫(wen)沖擊壓....
  采(cai)用半導體(ti)精密溫度(du)傳感......
  智能(neng)溫度傳感(gan)器的發展(zhan)趨勢
 
  利用傳(chuan)感器技術(shu)制造智能(neng)服裝
  新型(xing)傳感器監(jian)控魚群數(shu)量
   
 
聯系方(fang)式
 電話(市(shi)場部):  
       
        
 傳真:
 節(jie)假日商務(wu)聯系電話(hua):
 何經理:
 劉(liu)經理:
 郵編(bian):211600
 網址:/
    http://banyunshe.cc/
 E-mail:[email protected]
 地址(zhi):江蘇省金(jin)湖縣工業(ye)園區環城(cheng)西
 路269号
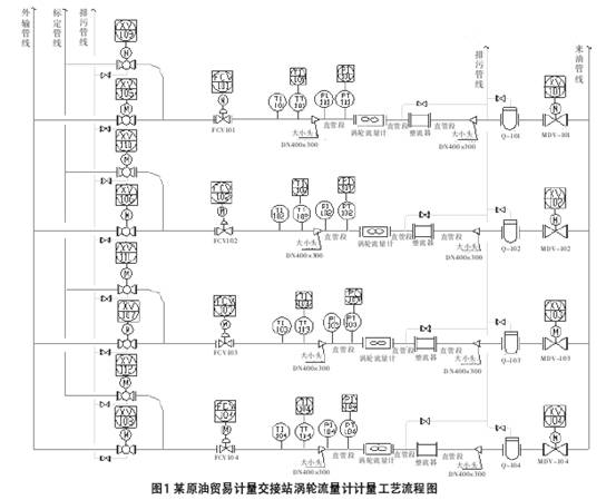
 您(nin)現在的位(wei)置 > 首頁 > 行(hang)業新聞 > 渦(wo)輪流量計(ji)在原油貿(mao)易計量中(zhong)應用
     

  以某原(yuan)油貿易計(ji)量交接站(zhan)要求滿足(zu)輸量1500×104t/a爲例(li),折算到🔞流(liu)量爲☔2100m3/h,若采(cai)用3用1備,單(dan)路流量至(zhi)少需達到(dao)700m3/h。根據計算(suan),選擇流量(liang)範圍爲(200~2000)m3/h的(de)DN250螺旋型渦(wo)輪流量計(ji) 較爲合适(shi);3用1備,每1路(lu)的流量使(shi)用在(900~1400)m3/h,每路(lu)流量在1400m3/h左(zuo)右即📞可✂️滿(man)足輸量的(de)要求。渦輪(lun)流量計是(shi)一種速度(du)式流量計(ji),流态對其(qi)👣測量精度(du)的影響較(jiao)大,應配備(bei)足夠長的(de)直管段及(ji)整流器以(yi)保證渦🔴輪(lun)流量計進(jin)🎯口端有良(liang)㊙️好的速度(du)分布,以提(ti)高測量精(jing)㊙️度等級。其(qi)工藝流程(cheng)如圖1所示(shi)。


  渦輪流量(liang)計用于原(yuan)油貿易交(jiao)接計量一(yi)般要求系(xi)統具🚶‍♀️有較(jiao)好的配套(tao)性,配備 溫(wen)度變送器(qi) 壓力變(bian)送器 等輔(fu)助設備儀(yi)表,計量系(xi)統可以實(shi)現流量、壓(ya)力和😄溫度(du)的自動測(ce)量、補償和(he)油量計算(suan)。通過流量(liang)計算💜機可(ke)實時🙇🏻修正(zheng)相關系數(shu),以保證計(ji)量系統精(jing)度要求。通(tong)過自動取(qu)樣裝置,可(ke)實現油樣(yang)的連續采(cai)集。
  設有1套(tao)在線分析(xi)系統,對原(yuan)油密度、黏(nian)度和含水(shui)等随時進(jin)行檢測。渦(wo)輪流量計(ji)的檢定采(cai)用體積管(guan)在線檢定(ding),采用體積(ji)管對這🚶4台(tai)流量計檢(jian)定的流量(liang)計系數(流(liu)📧量計系數(shu)是流量計(ji)基本誤差(cha)的一種表(biao)示🍓方法,貿(mao)易交接量(liang)=流量計讀(du)數×流量計(ji)系數)趨勢(shi)圖😍如圖2~圖(tu)5所示。
渦輪(lun)流量計的(de)流量計數(shu)趨勢圖
  從(cong)圖2~圖5可以(yi)看出,這4台(tai)渦輪流量(liang)計具有較(jiao)強的穩定(ding)性☁️和可靠(kao)性,其重複(fu)性和精度(du)較好,滿足(zu)原油貿易(yi)交接計量(liang)要♈求。
二、結(jie)束語
  由于(yu)渦輪流量(liang)計自身的(de)優點和成(cheng)功應用,以(yi)後渦輪流(liu)量計在🚶國(guo)内原油貿(mao)易交接計(ji)量中的應(ying)用将越來(lai)越廣泛,成(cheng)爲優先選(xuan)用的流量(liang)計類型。

以(yi)上内容源(yuan)于網絡,如(ru)有侵權聯(lian)系即删除(chu)!

下篇文章(zhang): 差壓液體(ti)流量計的(de)設計
 
江蘇省速惠自动化制造有限公司是(shi)一家專業(ye)提供 渦街(jie)流量計 渦(wo)輪流量計(ji) 電磁流量(liang)計 的企業(ye),公司将以(yi)優質的服(fu)務優惠的(de)價格,服務(wu)新老客戶(hu)。
 版權所有(you):江蘇省速惠自动化制造有限公司       技(ji)術支持易(yi)品網絡

·
·
 
·